Daten
| Max. Betriebsdruck [bar] | |
|---|---|
| Nenndurchfluss [l/min] | |
| Anzugsdrehmoment [Nm] | |
| Überdeckung | |
| Anschlüsse [mm] | |
| Gewicht [kg] | |
| Maße | |
| Betriebsmittel | |
| Viskosität [mm2/s] | |
| Betriebstemperatur [°C] |
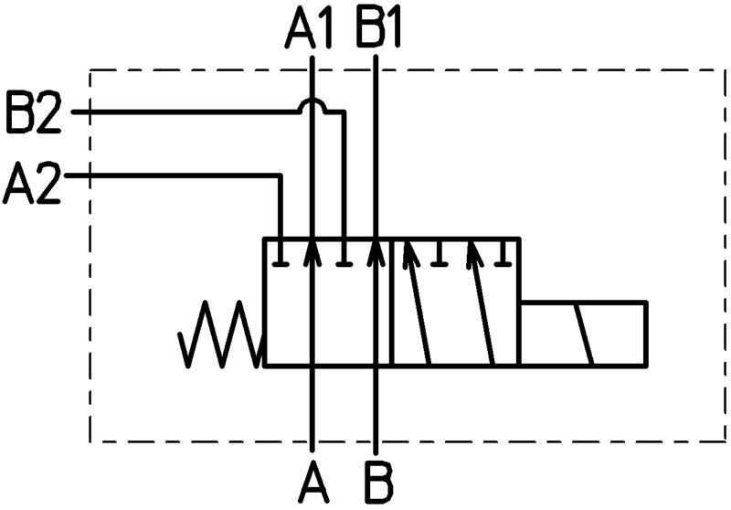
Das 6/2-Wegeventil ist zur Erweiterung einer doppelt wirkenden hydraulischen Funktion geeignet. Stromlos fließt das Öl, von den Anschlüssen A und B, zu den Anschlüssen A1 und B1. Wird der Magnet bestromt, wird der Ölstrom umgelenkt von den Anschlüssen A und B zu den zusätzlichen Verbraucher A2 und B2. Dieses Ventil ist als Grundventil zu verwenden und kann mit dem Artikelnummer 10044 erweitert werden. Dieses Steuerventil kann für verschiedene Betriebsspannungen geliefert werden (12VDC, 24VDC, 220VAC). Geringe innere Leckagen sind zulässig weil das Ventil als Schieberventil ausgelegt ist. Dieses Ventil ist zusätzlich mit Hydraulikschläuchen und Hydrauliksteckern an den Eingängen A und B bestückt. An den Anschlüssen A1 und B1 sowie A2 und B2 sind Hydraulikkupplungsmuffen montiert, so dass eine sehr schnelle Montage und Inbetriebnahme gewährleistet ist. Der Elektrotaster ist nicht in der geschalteten Position gerastet.
Das 6/2-Wegeventil ist zur Erweiterung einer doppelt wirkenden hydraulischen Funktion geeignet. Stromlos fließt das Öl, von den Anschlüssen A und B, zu den Anschlüssen A1 und B1. Wird der Magnet bestromt, wird der Ölstrom umgelenkt von den Anschlüssen A und B zu den zusätzlichen Verbraucher A2 und B2. Dieses Ventil ist als Grundventil zu verwenden und kann mit dem Artikelnummer 10044 erweitert werden. Dieses Steuerventil kann für verschiedene Betriebsspannungen geliefert werden (12VDC, 24VDC, 220VAC). Geringe innere Leckagen sind zulässig weil das Ventil als Schieberventil ausgelegt ist. Dieses Ventil ist zusätzlich mit Hydraulikschläuchen und Hydrauliksteckern an den Eingängen A und B bestückt. An den Anschlüssen A1 und B1 sowie A2 und B2 sind Hydraulikkupplungsmuffen montiert, so dass eine sehr schnelle Montage und Inbetriebnahme gewährleistet ist. Der Elektrotaster ist nicht in der geschalteten Position gerastet.
| Max. Betriebsdruck [bar] | |
|---|---|
| Nenndurchfluss [l/min] | |
| Anzugsdrehmoment [Nm] | |
| Überdeckung | |
| Anschlüsse [mm] | |
| Gewicht [kg] | |
| Maße | |
| Betriebsmittel | |
| Viskosität [mm2/s] | |
| Betriebstemperatur [°C] |
Das Ventil ist in allen gängigen Hydrauliksystemen verwendbar.