Daten
| Max. Betriebsdruck [bar] | |
|---|---|
| Max. Rücklaufdruck [bar] | |
| Nenndurchfluss [l/min] | |
| Anzugsdrehmoment [Nm] | |
| Anschlüsse [mm] | |
| Gewicht [kg] | |
| Maße | |
| Betriebsmittel | |
| Viskosität [mm2/s] | |
| Betriebstemperatur [°C] |
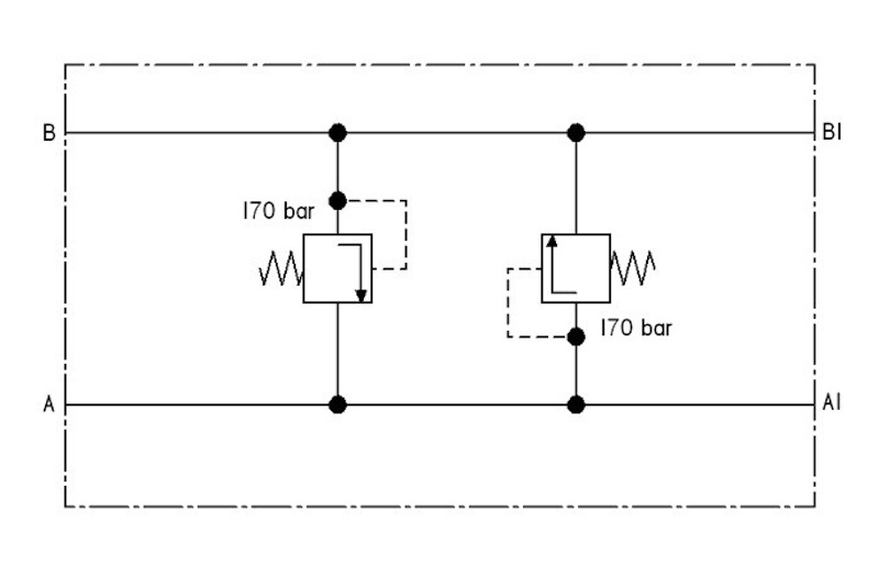
Dieses Ventil ist mit zwei Druckbegrenzugsventilen in einem Gehäuse ausgestattet und für die Leitungsmontage ausgelegt. Die Druckeinstellung ist auf 170 bar festgelegt. Die Druckableitung erfolgt über die Druckseite des zweiten Druckbegrenzungsventiles. Die Ventile sind ungedämpft und entwickeln Geräusche während der Funktion.
Dieses Ventil ist mit zwei Druckbegrenzugsventilen in einem Gehäuse ausgestattet und für die Leitungsmontage ausgelegt. Die Druckeinstellung ist auf 170 bar festgelegt. Die Druckableitung erfolgt über die Druckseite des zweiten Druckbegrenzungsventiles. Die Ventile sind ungedämpft und entwickeln Geräusche während der Funktion.
| Max. Betriebsdruck [bar] | |
|---|---|
| Max. Rücklaufdruck [bar] | |
| Nenndurchfluss [l/min] | |
| Anzugsdrehmoment [Nm] | |
| Anschlüsse [mm] | |
| Gewicht [kg] | |
| Maße | |
| Betriebsmittel | |
| Viskosität [mm2/s] | |
| Betriebstemperatur [°C] |
Das Ventil ist in allen gängigen Hydrauliksystemen verwendbar