Daten
| Max. Betriebsdruck [bar] | |
|---|---|
| Max. Rücklaufdruck [bar] | |
| Nenndurchfluss [l/min] | |
| Anzugsdrehmoment [Nm] | |
| Überdeckung | |
| Anschlüsse [mm] | |
| Gewicht [kg] | |
| Maße | |
| Betriebsmittel | |
| Viskosität [mm2/s] | |
| Betriebstemperatur [°C] |
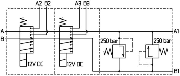
Dieses Ventil stellt zwei hydraulische Weichen in einem Ventil dar. Das 8/3-Wegeventil ist zur Erweiterung zweier doppelt wirkender hydraulischen Funktionen geeignet. Stromlos fließt das Öl, von den Anschlüssen A und B, zu den Anschlüssen A1 und B1. Wird der Magnet bestromt, wird der Ölstrom umgelenkt von den Anschlüssen A und B zu den zusätzlichen Verbraucher A2 und B2 bzw. A3 und B3. Dieses Ventil ist als Flanschventil ausgelegt und kann erweitert werden. Zusätzlich ist diese Ventileinheit mit einer Druckabsicherung für die Leitungen A und B ausgestattet, um hydraulische überlasten im gesperrten Kreis ableiten zu können. Geringe innere Leckagen sind zulässig, da das Ventil als Schieberventil ausgelegt ist.
Dieses Ventil stellt zwei hydraulische Weichen in einem Ventil dar. Das 8/3-Wegeventil ist zur Erweiterung zweier doppelt wirkender hydraulischen Funktionen geeignet. Stromlos fließt das Öl, von den Anschlüssen A und B, zu den Anschlüssen A1 und B1. Wird der Magnet bestromt, wird der Ölstrom umgelenkt von den Anschlüssen A und B zu den zusätzlichen Verbraucher A2 und B2 bzw. A3 und B3. Dieses Ventil ist als Flanschventil ausgelegt und kann erweitert werden. Zusätzlich ist diese Ventileinheit mit einer Druckabsicherung für die Leitungen A und B ausgestattet, um hydraulische überlasten im gesperrten Kreis ableiten zu können. Geringe innere Leckagen sind zulässig, da das Ventil als Schieberventil ausgelegt ist.
| Max. Betriebsdruck [bar] | |
|---|---|
| Max. Rücklaufdruck [bar] | |
| Nenndurchfluss [l/min] | |
| Anzugsdrehmoment [Nm] | |
| Überdeckung | |
| Anschlüsse [mm] | |
| Gewicht [kg] | |
| Maße | |
| Betriebsmittel | |
| Viskosität [mm2/s] | |
| Betriebstemperatur [°C] |
In allen gängigen Hydrauliksystemen.
Stoll-Artikel-Nr.: 1400690