Daten
| Max. Betriebsdruck [bar] | |
|---|---|
| Max. Rücklaufdruck [bar] | |
| Nenndurchfluss [l/min] | |
| Anzugsdrehmoment [Nm] | |
| Gewicht [kg] | |
| Betriebsmittel | |
| Viskosität [mm2/s] | |
| Betriebstemperatur [°C] |
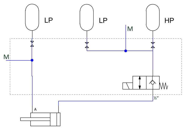
Bei dem Schock Absorber System handelt es sich um ein Schwingungsdämpfungssystem für Frontlader. Es besteht aus drei, mit unterschiedlichen Drücken vorgespannten, Membranspeichern die auf einer gemeinsamen Fußplatte montiert sind. Das System kann mit einem 2/2-Wegeventil zu- bzw. abgeschaltet werden. Außerdem ist, auch aus Sicherheitsgründen, jeder Speicher einzeln mit einem mechanischen Ventil absperrbar. Durch die unterschiedlichen Vorspanndrücke ergibt sich, unabhängig von der Belastung des Frontladers, ein sehr gutes Dämpfungsverhalten.
Bei dem Schock Absorber System handelt es sich um ein Schwingungsdämpfungssystem für Frontlader. Es besteht aus drei, mit unterschiedlichen Drücken vorgespannten, Membranspeichern die auf einer gemeinsamen Fußplatte montiert sind. Das System kann mit einem 2/2-Wegeventil zu- bzw. abgeschaltet werden. Außerdem ist, auch aus Sicherheitsgründen, jeder Speicher einzeln mit einem mechanischen Ventil absperrbar. Durch die unterschiedlichen Vorspanndrücke ergibt sich, unabhängig von der Belastung des Frontladers, ein sehr gutes Dämpfungsverhalten.
| Max. Betriebsdruck [bar] | |
|---|---|
| Max. Rücklaufdruck [bar] | |
| Nenndurchfluss [l/min] | |
| Anzugsdrehmoment [Nm] | |
| Gewicht [kg] | |
| Betriebsmittel | |
| Viskosität [mm2/s] | |
| Betriebstemperatur [°C] |
In Frontladersystemen
Kramp-Artikel: FLDS2003