Daten
| Max. Betriebsdruck [bar] | |
|---|---|
| Max. Rücklaufdruck [bar] | |
| Nenndurchfluss [l/min] | |
| Anzugsdrehmoment [Nm] | |
| Überdeckung | |
| Anschlüsse [mm] | |
| Gewicht [kg] | |
| Maße | |
| Betriebsmittel | |
| Viskosität [mm2/s] | |
| Betriebstemperatur [°C] |
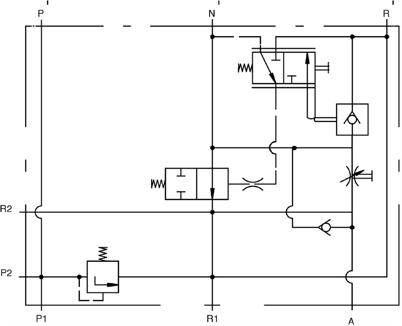
Dieses Regelventil wird im Schlepper zur Steuerung und Regelung des Kraftheberhubwerks eingesetzt. Mit dem Regelventil können Anbaugeräte, angebaut am Hubwerk, stufenlos gehoben und gesenkt, bzw. eine vorgegebene Lage konstant gehalten oder eine optimale Ausnutzung der Schlepperleistung erreicht werden. Durch die Regelung werden Störgrößen ständig automatisch korrigiert und somit das Schlepperfahren wesentlich erleichtert. Je nach Art der Anwendung kann das Regelventil zur Lagerregelung, zur Zugkraftregelung oder zur Mischregelung eingesetzt werden.Mit den Zusatzanschlüssen für R und P, sowie stufenloser Einstellung von P ist das Ventil sehr umfangreich ausgestattet.
Dieses Regelventil wird im Schlepper zur Steuerung und Regelung des Kraftheberhubwerks eingesetzt. Mit dem Regelventil können Anbaugeräte, angebaut am Hubwerk, stufenlos gehoben und gesenkt, bzw. eine vorgegebene Lage konstant gehalten oder eine optimale Ausnutzung der Schlepperleistung erreicht werden. Durch die Regelung werden Störgrößen ständig automatisch korrigiert und somit das Schlepperfahren wesentlich erleichtert. Je nach Art der Anwendung kann das Regelventil zur Lagerregelung, zur Zugkraftregelung oder zur Mischregelung eingesetzt werden.Mit den Zusatzanschlüssen für R und P, sowie stufenloser Einstellung von P ist das Ventil sehr umfangreich ausgestattet.
| Max. Betriebsdruck [bar] | |
|---|---|
| Max. Rücklaufdruck [bar] | |
| Nenndurchfluss [l/min] | |
| Anzugsdrehmoment [Nm] | |
| Überdeckung | |
| Anschlüsse [mm] | |
| Gewicht [kg] | |
| Maße | |
| Betriebsmittel | |
| Viskosität [mm2/s] | |
| Betriebstemperatur [°C] |
Case IH Serie: 743 XL, 745, 844, 844 S, 846, 856 bis Bj. ’89, 946, 955 XL, 956, 1046, 1055 XL bis Bj. ’89 und 1056
1255 Baujahr 01/79 – 12/85
1255 Baujahr 01/85 – 12/89
1255XL Baujahr 01/81 – 12/85
1255XL Baujahr 01/85 – 12/94
1455 Baujahr 01/79 – 12/85
1455 Baujahr 01/85 – 12/89
1455XL Baujahr 01/81 – 12/85
1455XL Baujahr 01/85 – 12/96
Achtung: Bei den Typen 1255 und 1455 gibt es eine Ausführung mit einem 2. Rücklaufanschluss in der Flanschfläche: Dann muss der Artikel #19123 verwendet werden.
Deutz D40 und Serie 05
Fendt Serie Farmer 102, 103, 104, 105, 106, 108, 303, 304, 305, 306, 307, 308, 309, 310, 311, 312, GT 350, GT 360, GT 370, GT 380, GT 390, Fendt Serie Favorit 600 LS, 610 LS, 611 LS, 612 LS, 614 LS, 615 LS
Kramer
Lindner
MB trac Serie 700 bis 1800
Schlüter
Steyr Serie 430, 540, 540 A, 545, 650, 650 A, 760, 955, 964, 970, 980, 980 A, 1100 A, 8060, 8060 A, 8070, 8070 A, 8080, 8080 A, 8090, 8090 A
Eicher mit ZF-Getriebe
Steyr-Nr.: 139700730222
HY/SR10H1/175/1
HY/SR10H3/150/1
Bosch 0 521 704 004
Bosch 0 521 704 014
Bosch 0 521 704 018
Bosch 0 521 704 019
Bosch 0 521 704 022
Bosch 0 521 704 023
Bosch 0 521 704 034
Bosch 0 521 704 042
Bosch 0 521 704 043
Bosch 0 521 704 044
Bosch 0 521 704 045
Bosch 0 521 704 046
Bosch 0 521 704 048
Bosch 0 521 704 049
Bosch 0 521 704 053
Bosch 0 521 704 054
Bosch 0 521 704 058
Bosch 0 521 704 060
Bosch 0 521 704 065
Bosch 0 521 704 071
Bosch 0 521 704 072
Bosch 0 521 704 075
Bosch 0 521 704 077
Bosch 0 521 704 079
Bosch 0 521 704 080
Bosch 0 521 704 081
Bosch 0 521 704 084
Bosch 0 521 704 085
Bosch 0 521 704 086
Bosch 0 521 704 089
Bosch 0 521 704 100
Bosch 0 521 704 101
Bosch 0 521 704 103
Bosch 0 521 704 104
Bosch 0 521 704 105
Bosch 0 521 704 106
Bosch 0 521 704 107
Bosch 0 521 704 108
Bosch 0 521 704 111
Bosch 0 521 704 112
Bosch 0 521 704 113
Bosch 0 521 704 114
Bosch 0 521 704 115
Case 3147440R92
Fendt G178.860.030.110