Daten
| Max. Betriebsdruck [bar] | |
|---|---|
| Max. Rücklaufdruck [bar] | |
| Nenndurchfluss [l/min] | |
| Anzugsdrehmoment [Nm] | |
| Überdeckung | |
| Anschlüsse [mm] | |
| Gewicht [kg] | |
| Maße | |
| Betriebsmittel | |
| Viskosität [mm2/s] | |
| Betriebstemperatur [°C] |
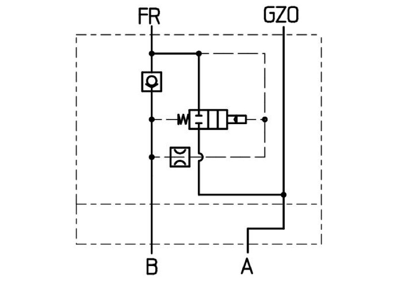
Das Eilgangventil hat die Aufgabe, das Auskippen einer Frontladerschaufel zu beschleunigen. Dabei wird die Ölmenge der Kolbenstangenseite, der Ölpumpenmenge, die auf den Kolbenboden wirkt, zwangsaddiert. Geringe Leckagen sind zulässig, da das Ventil als Schieberventil ausgelegt ist. Diese Baugruppe ist mit der Anschlussplatte AK Artikel 10003 montiert.
Das Eilgangventil hat die Aufgabe, das Auskippen einer Frontladerschaufel zu beschleunigen. Dabei wird die Ölmenge der Kolbenstangenseite, der Ölpumpenmenge, die auf den Kolbenboden wirkt, zwangsaddiert. Geringe Leckagen sind zulässig, da das Ventil als Schieberventil ausgelegt ist. Diese Baugruppe ist mit der Anschlussplatte AK Artikel 10003 montiert.
| Max. Betriebsdruck [bar] | |
|---|---|
| Max. Rücklaufdruck [bar] | |
| Nenndurchfluss [l/min] | |
| Anzugsdrehmoment [Nm] | |
| Überdeckung | |
| Anschlüsse [mm] | |
| Gewicht [kg] | |
| Maße | |
| Betriebsmittel | |
| Viskosität [mm2/s] | |
| Betriebstemperatur [°C] |
In allen gängigen Frontlader-Hydrauliksystemen.